貼片蜂鳴器

| Model | UG-1375XM | |
| Item | Unit | |
1 | Rated Voltage | VDC | |
2 | Operating Voltage | VDC | |
3 | *Rated Current(Max) | mA | |
4 | *Min Sound Output at 10cm | dB | |
5 | *Resonant Frequency | Hz | |
6 | Operating Temperature | ℃ | |
7 | Storage Temperature | ℃ | |
8 | Weight | g | |
9 | Housing Material | PPS | |
10 | Lead Pin Material | Red Copper(DSn) | |
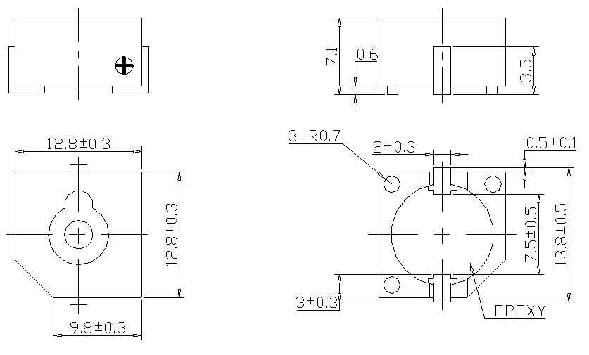
12. Drawing(Fig1) Unit: mm Tolerance:±0.5mm
關(guān)注我們
手機站