無源電磁式蜂鳴器

| Model | UG-0955A-2.7Z3 | |
| Item | Unit |
|
1 | Rated Voltage(Square Wave) | V |
|
2 | Operating Voltage | V |
|
3 | *Rated Current(Max) | mA |
|
4 | *Min Sound Output at 10cm | dB |
|
5 | *Resonant Frequency | Hz |
|
6 | Coil Resistance | Ω |
|
7 | Operating Temperature | ℃ |
|
8 | Storage Temperature | ℃ |
|
9 | Weight | g |
|
10 | Housing Material | PBT | |
11 | Lead Pin Material | Red Copper(DSn) | |
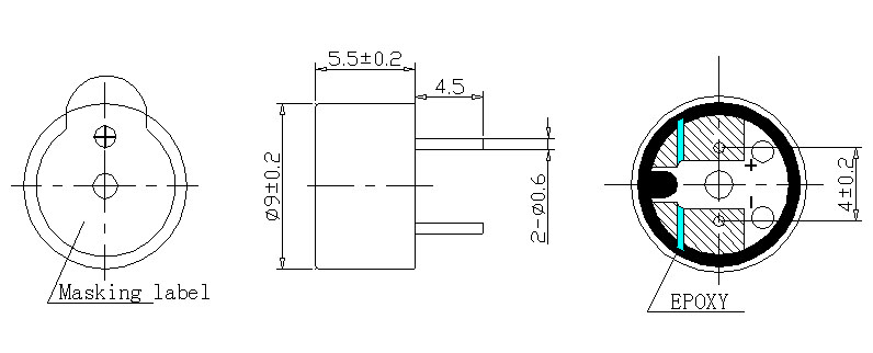
12. Drawing(Fig1) Unit: mm Tolerance:±0.5mm
關注我們
手機站