有源壓電蜂鳴器

| Model | UGF-2310X12 | |
| Item | Unit | Specifications |
1 | Rated Voltage | VDC | 12 |
2 | Operating Voltage | VDC | 1.5~28 |
3 | *Rated Current(max) | mA | 10 |
4 | *Min Sound Output at 30cm | dB | 85 |
5 | *Resonant Frequency | Hz | 3500±500 |
6 | Tone Nature | Single | |
7 | Lead Wire/Pin Material | Red Copper | |
8 | Operating Temperature | ℃ | -30~+70 |
9 | Storage Temperature | ℃ | -40~+85 |
10 | Housing Material | PBT | |
11 | weight | g | 4 |
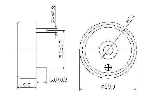
12. Drawing(Fig1) Unit: mm Tolerance:±0.5mm
關(guān)注我們
手機(jī)站